Le forum Audiovintage est privé.
En tant qu'invité, vous avez accès à certaines rubriques uniquement, l'ajout de nouveaux membres n'est pas possible pour le moment.
En tant qu'invité, vous avez accès à certaines rubriques uniquement, l'ajout de nouveaux membres n'est pas possible pour le moment.
Construction d'une entrée phono mono multi-courbes à lampes.
- chm
- Membre éminent
- Messages : 1052
- Enregistré le : mar. 25 oct. 2011 21:07
- Localisation : banlieue nord ouest de Paris
Re: Avis aux spécilistes des lampes
Bonsoir
j' ai enlevé le schéma qui était entaché de quelques erreurs, en attente de vérification.
Christophe
j' ai enlevé le schéma qui était entaché de quelques erreurs, en attente de vérification.
Christophe
- chm
- Membre éminent
- Messages : 1052
- Enregistré le : mar. 25 oct. 2011 21:07
- Localisation : banlieue nord ouest de Paris
Re: Avis aux spécilistes des lampes
Bonjour
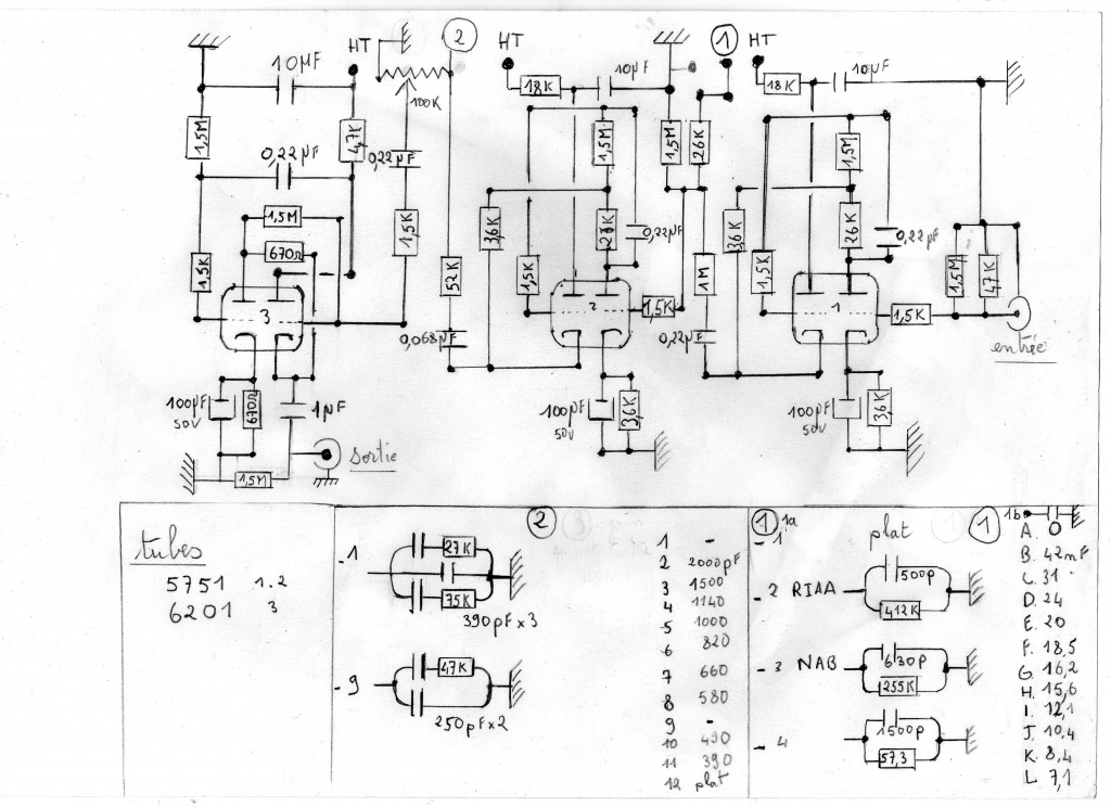
Le schéma est à jour, le voici à nouveau, dans une présentation un peu personnelle, c' est la première fois
que je fais ce genre de transcription, mais je vais le redessiner de manière plus conventionnelle.
Celui de l' alimentation, plutôt élaborée, va suivre.
J' ai pu aussi avec Pascal écouter d' autres 78trs,( il possède quelques perles ) j' ajouterai que ce qui caractérise aussi de manière très importante ces disques
provient de la prise de son. Il y a toujours l' acoustique du lieu, sans artifice, car pour prendre l' ensemble ( petit ou grand) il faut un certain recul
au micro, et ceci contribue au coté naturel de la reproduction, il n' y a pas cet effet de loupe des prises multi-micros, poussé parfois jusqu' à la caricature, qui donne ce son "HIFI" bien souvent, flateur assurément mais pas toujours très véridique en tout cas pour la musique acoustique toute forme confondue( oh la la les contrebasses ). Mais cet éloignement n' empêche pas une grande netteté des attaques, que de beaux pianos ! ( malgré le bruit )
Christophe
Là aussi un montage assez complexe !
Le schéma est à jour, le voici à nouveau, dans une présentation un peu personnelle, c' est la première fois
que je fais ce genre de transcription, mais je vais le redessiner de manière plus conventionnelle.
Celui de l' alimentation, plutôt élaborée, va suivre.
J' ai pu aussi avec Pascal écouter d' autres 78trs,( il possède quelques perles ) j' ajouterai que ce qui caractérise aussi de manière très importante ces disques
provient de la prise de son. Il y a toujours l' acoustique du lieu, sans artifice, car pour prendre l' ensemble ( petit ou grand) il faut un certain recul
au micro, et ceci contribue au coté naturel de la reproduction, il n' y a pas cet effet de loupe des prises multi-micros, poussé parfois jusqu' à la caricature, qui donne ce son "HIFI" bien souvent, flateur assurément mais pas toujours très véridique en tout cas pour la musique acoustique toute forme confondue( oh la la les contrebasses ). Mais cet éloignement n' empêche pas une grande netteté des attaques, que de beaux pianos ! ( malgré le bruit )
Christophe
Là aussi un montage assez complexe !
Modifié en dernier par chm le mer. 2 déc. 2015 18:39, modifié 1 fois.
-
Wagtbtoobz
Re: Avis aux spécilistes des lampes
edit/
Modifié en dernier par Wagtbtoobz le mer. 11 mars 2015 20:10, modifié 1 fois.
-
Wagtbtoobz
Re: Avis aux spécilistes des lampes
Oullla !
Je ne vois pas comment ça fonctionne ... les 2 triodes d'attaque des 2 premiers étages sont alimentées à la SRPP , pourquoi aussi complqié ??? Il faut virer toutes les 1,5k dans les G1 : pas de grid stopper dans des tubes à faible pente .... Qui a pondu ce bidule ? Est ce qu'il fonctionne ?
- chm
- Membre éminent
- Messages : 1052
- Enregistré le : mar. 25 oct. 2011 21:07
- Localisation : banlieue nord ouest de Paris
Re: Avis aux spécilistes des lampes
Pour plus de précision sur le concepteur de ce préampli, je laisse vendin, Pascal, donner ces précisions...
Oui ça fonctionne et même bien, du point de vue de la qualité sonore, et du point de vue de trouver la "courbe" correspondant à tel disque
ou tel disque, essayé et approuvé sur un 78trs, Pascal aime bien je crois l' échange de point de vue pour fixer une courbe.
Sans être spécialiste, du tout, vous le savez, le montage est compliqué, je dirai qu' il y a beaucoup de condensateurs de liaison.
Christophe
Oui ça fonctionne et même bien, du point de vue de la qualité sonore, et du point de vue de trouver la "courbe" correspondant à tel disque
ou tel disque, essayé et approuvé sur un 78trs, Pascal aime bien je crois l' échange de point de vue pour fixer une courbe.
Sans être spécialiste, du tout, vous le savez, le montage est compliqué, je dirai qu' il y a beaucoup de condensateurs de liaison.
Christophe
- vendin
- Membre éminent
- Messages : 1804
- Enregistré le : lun. 17 mars 2014 21:09
- Localisation : Noisy le grand 93
Re: Avis aux spécilistes des lampes
Bonsoir,Wagtbtoobz a écrit :Oullla !Je ne vois pas comment ça fonctionne ... les 2 triodes d'attaque des 2 premiers étages sont alimentées à la SRPP , pourquoi aussi complqié ??? Il faut virer toutes les 1,5k dans les G1 : pas de grid stopper dans des tubes à faible pente .... Qui a pondu ce bidule ? Est ce qu'il fonctionne ?
Ce bidule à été pondu par Mr Johan Bernstrom.
C'est le schéma relevé sur l'appareil en 1ère page.
Est ce qu'il fonctionne? C'est rien de le dire, il fonctionne divinement musicalement parlant et quasiment tous les jours depuis que je l'ai. J'ai entendu de belles choses en étage phono mono avec courbes, notamment chez Jean, et je peux dire qu'il soutient la comparaison sans aucun problème. Sans compter sa capacité élevée de possibilités qui est unique me semble t-il sauf peut être avec l'EMT et un appareil Américain qui est utilisé dans les archives sonores des états.
Pascal.
Modifié en dernier par vendin le mer. 25 janv. 2017 15:55, modifié 1 fois.
Pascal.
-
Wagtbtoobz
Re: Avis aux spécilistes des lampes
vendin a écrit :Bonsoir,Wagtbtoobz a écrit :Oullla !Je ne vois pas comment ça fonctionne ... les 2 triodes d'attaque des 2 premiers étages sont alimentées à la SRPP , pourquoi aussi complqié ??? Il faut virer toutes les 1,5k dans les G1 : pas de grid stopper dans des tubes à faible pente .... Qui a pondu ce bidule ? Est ce qu'il fonctionne ?
Ce bidule à été pondu par Mr Johan Bernstrom.
C'est le schéma relevé sur l'appareil en 1ère page.
Est ce qu'il fonctionne? C'est rien de le dire, il fonctionne divinement musicalement parlant et quasiment tous les jours depuis que je l'ai. J'ai entendu de belles choses en étage phono mono avec courbes, notamment chez Jean, et je peux dire qu'il soutient la comparaison sans aucun problème. Sans compter sa capacité élevée de possibilités qui est unique me semble t-il sauf peut être avec l'EMT et un appareil Américain qui est utilisé dans les archivent sonores des états.
Pascal.
Euh , c'est lui ? https://se.linkedin.com/pub/johan-berns ... 12/4ba/b97
Quels états ? Etats , pourquoi ? pour qui ?
Pourquoi 47k en // avec 1,5Mohms dans la 1ere grille ?
- vendin
- Membre éminent
- Messages : 1804
- Enregistré le : lun. 17 mars 2014 21:09
- Localisation : Noisy le grand 93
Re: Avis aux spécilistes des lampes
Non ce n'est pas lui, celui dont je parle, créateur de la marque Sentec, a pris sa retraite début des années 2000 et en a profité pour faire quelques appareils qui lui tenaient à cœur, dont celui ci qu'il a fabriqué à une centaine d'exemplaires et qui subissent une chasse effrénée telle qu'ils ne font pas de vieux os sur les sites de vente.
Les différents états, peut être pas tous, des USA ont des archives sonores, notamment la bibliothèque du congres à Washington. Ils s'en serve pour faire des reports notamment.
Pour les questions techniques je ne saurais répondre.
Pascal.
Modifié en dernier par vendin le mer. 11 mars 2015 22:27, modifié 1 fois.
Pascal.
-
6336A
Re: Avis aux spécilistes des lampes
BonsoirWagtbtoobz a écrit :Oullla !Je ne vois pas comment ça fonctionne ... les 2 triodes d'attaque des 2 premiers étages sont alimentées à la SRPP , pourquoi aussi complqié ??? Il faut virer toutes les 1,5k dans les G1 : pas de grid stopper dans des tubes à faible pente .... Qui a pondu ce bidule ? Est ce qu'il fonctionne ?
tu as eu la même réaction que la mienne. C'est en fait un SRPP modifié, mais je n'arrive pas à voir l'intérêt de cette modification...
Un des avantages du SRPP est le couplage en continu entre la 1/2 triode d'entrée et la 2eme, et là nous avons un couplage RC, qui amène une constante de temps supplémentaire et inutile.
Je ne doute pas que l'ensemble fonctionne. Mais en le ramenant à un SRPP classique comme ceci, je suis certain que l'ensemble marchera encore mieux.
- chm
- Membre éminent
- Messages : 1052
- Enregistré le : mar. 25 oct. 2011 21:07
- Localisation : banlieue nord ouest de Paris
Re: Avis aux spécilistes des lampes
Bonsoir
Jean François, c' est très élagué ! et applicable sans mise au point ? Il serait interessant de faire un exemplaire de chaque.
Mais même ainsi revenu à cette version classique, je ne comprends pas bien le fonctionnement sinon presque pas du tout !
Est il possible d' adapter ces corrections sur un autre préampli, par exemple celui que tu proposes , avec 2SK170 et ECC88 ou la correction
RIAA se fait en deux fois? Mais il doit falloir surement alors adapter les valeurs, pour les courbes standarts autre que la RIAA.
Christophe
Jean François, c' est très élagué ! et applicable sans mise au point ? Il serait interessant de faire un exemplaire de chaque.
Mais même ainsi revenu à cette version classique, je ne comprends pas bien le fonctionnement sinon presque pas du tout !
Est il possible d' adapter ces corrections sur un autre préampli, par exemple celui que tu proposes , avec 2SK170 et ECC88 ou la correction
RIAA se fait en deux fois? Mais il doit falloir surement alors adapter les valeurs, pour les courbes standarts autre que la RIAA.
Christophe
-
- Sujets similaires
- Réponses
- Vues
- Dernier message
