Le forum Audiovintage est privé.
En tant qu'invité, vous avez accès à certaines rubriques uniquement, l'ajout de nouveaux membres n'est pas possible pour le moment.

Teac V-900X

Périmés mais pas forcément tous abandonnés !
Avatar du membre
VENANCE
Membre éminent
Messages : 1379
Enregistré le : dim. 10 nov. 2013 21:55
Localisation : Belgique

Re: Teac V-900X

Message par VENANCE »

:hello: Cédric,

pardon pour mes toutes petites connaissances :jap: .

Ce sont bien les deux schémas concernés du Display ?

Je te remercie :cow:

TEAC V-901.jpg
TEAC V-901.jpg (515.28 Kio) Vu 5404 fois
TEAC V-900X DISPLAY SCAN 1.jpg
TEAC V-900X DISPLAY SCAN 1.jpg (324.96 Kio) Vu 5404 fois
VENANCE
Music was my first love...and it will be my last.
Avatar du membre
crashgarrett
Membre éminent
Messages : 1160
Enregistré le : jeu. 21 févr. 2013 18:03
Localisation : Loire-Atlantique

Re: Teac V-900X

Message par crashgarrett »

:yes!:
Tu n'as plus qu'à regardé s'il y a bien une tension ????
Salon : Thorens TD157 , Marantz model 2226BL , McIntosh MCD7000 , Nakamichi 582, Marantz DD-82 , Nakamichi Reference Monitor
Bureau : Philips CD300 , Beomaster 1400, Beocord 9000 , Nakamichi pleins,Akai 4000DS , Bose 301

Band'O'Fil Member's
Avatar du membre
VENANCE
Membre éminent
Messages : 1379
Enregistré le : dim. 10 nov. 2013 21:55
Localisation : Belgique

Re: Teac V-900X

Message par VENANCE »

Merci infiniment Man, c'est un plaisir :merci: .

Pardon pour cette petite sollicitation, je sais que tu as beaucoup de pain sur la planche :jap:

Ce qui m'encourage c'est que cette panne est donc mineure et pas définitive. Le Display n'est pas foutu.

Cela se répare avec de nouvelles soudures. :mossieurpropre:
VENANCE
Music was my first love...and it will be my last.
Avatar du membre
crashgarrett
Membre éminent
Messages : 1160
Enregistré le : jeu. 21 févr. 2013 18:03
Localisation : Loire-Atlantique

Re: Teac V-900X

Message par crashgarrett »

Ou un circuit naze :dingue:
Salon : Thorens TD157 , Marantz model 2226BL , McIntosh MCD7000 , Nakamichi 582, Marantz DD-82 , Nakamichi Reference Monitor
Bureau : Philips CD300 , Beomaster 1400, Beocord 9000 , Nakamichi pleins,Akai 4000DS , Bose 301

Band'O'Fil Member's
Avatar du membre
VENANCE
Membre éminent
Messages : 1379
Enregistré le : dim. 10 nov. 2013 21:55
Localisation : Belgique

Re: Teac V-900X

Message par VENANCE »

ha oui tout de même :gne: . je vais faire des cauchemars toute la nuit :mur: .
VENANCE
Music was my first love...and it will be my last.
Avatar du membre
crashgarrett
Membre éminent
Messages : 1160
Enregistré le : jeu. 21 févr. 2013 18:03
Localisation : Loire-Atlantique

Re: Teac V-900X

Message par crashgarrett »

déjà regarde si tu as quelque chose :
Display.jpg
Display.jpg (201.34 Kio) Vu 5383 fois
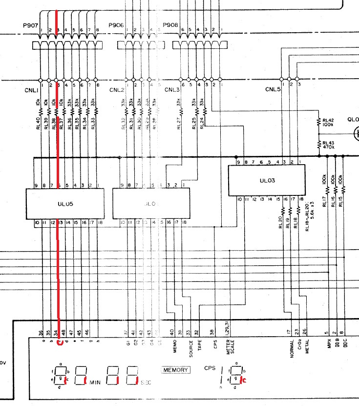
ensuite UL05 : MSL912RS , on en trouve sur la Baie au cas ou , a pas cher en + ;)
donc tu peux dormir en paix

par contre si c'est le µ HMCS44A :tinostar:
Salon : Thorens TD157 , Marantz model 2226BL , McIntosh MCD7000 , Nakamichi 582, Marantz DD-82 , Nakamichi Reference Monitor
Bureau : Philips CD300 , Beomaster 1400, Beocord 9000 , Nakamichi pleins,Akai 4000DS , Bose 301

Band'O'Fil Member's
Avatar du membre
VENANCE
Membre éminent
Messages : 1379
Enregistré le : dim. 10 nov. 2013 21:55
Localisation : Belgique

Re: Teac V-900X

Message par VENANCE »

Merci Cédric :jap:

Beau schéma bien clair ; plus que ça on peut pas :prosterne:
VENANCE
Music was my first love...and it will be my last.
Avatar du membre
gregory1249
Membre honoraire
Messages : 347
Enregistré le : mer. 30 nov. 2011 14:45

Re: Teac V-900X

Message par gregory1249 »

tu as sur la ligne rouge une resistance(RL38) de 10k ohms, vérifie la avec l'ohmètre.
moi quand je soupçonne une soudure mauvaise je prend le manche de mon tournevis isolée!! et je tapote tout doucement sur les modules,fils...
si le barre graphe à tendance à se rallumer bingo :mossieurpropre:
NAKAMICHI 1000ZXL DRAGON,CR-7,ZX-9,RX-505
PIONEER CTA9,CT93 PLC590
MCINTOSH MC 452 C2200 C39
LUXMAN M03 M4000 C1000
AIWA AD 6900 MKII
SONY DTC-1000ES
SONY TCK-777 ES
SONT TCK-730 ES
SONY DTC-77ES
TEAC Z-7000
AKAI GX-F95
KLIPSCH RF7 MKII
TANNOY D700
Avatar du membre
VENANCE
Membre éminent
Messages : 1379
Enregistré le : dim. 10 nov. 2013 21:55
Localisation : Belgique

Re: Teac V-900X

Message par VENANCE »

:hello: Greg,

merci du tuyau :yes!:

J'ai pu lire que les Teac V-900X ont en point faible, fragile, le Display. Comme un peu leur maladie.
Je me dis donc qu'il serait peut-être bon de refaire toutes les soudures du Display.

Mais chose bizarre, cette platine n'a pas tourné beaucoup depuis sa fabrication. Donc les soudures vieillissent mal avec le temps
peu importe l'utilisation de l'appareil, intensive ou pas.

A+ :cow:
VENANCE
Music was my first love...and it will be my last.
Avatar du membre
20tajk7
Membre éminent
Messages : 1693
Enregistré le : mar. 22 févr. 2011 22:50
Localisation : Drôme (26)
Contact :

Re: Teac V-900X

Message par 20tajk7 »

:salut: c'est courant les soudures sèches sur les afficheurs.
Le plus souvent ça arrive aux extrémités sur les pins du filament ou de la cathode.

Un connecteur mal enfoncé peut aussi causer ce genre de panne, ça m'est arrivé sur un Proton 740 (segment manquant sur le compteur) et un Yamaha KX-1200 (pas d'indication du type de bande).
Magnétos: Sony, Nakamichi, Alpage, Teac, Pioneer, Toshiba, Denon, Aiwa, Yamaha, Technics...
K7: TDK, Sony, Maxell, Quantegy, Fuji, BASF...
Répondre
  • Sujets similaires
    Réponses
    Vues
    Dernier message