Tu le mets de côté et tu conserves précieusement.
Même si tu dois faire de l'argent avec, c'est un appareil rare ...
Alors attention,parce qu'une fois que tu as vendu ce genre d’appareil ... c'est direction cette rubrique !
viewtopic.php?f=70&t=36367&hilit=plus+belle+boulette
Le forum Audiovintage est privé.
En tant qu'invité, vous avez accès à certaines rubriques uniquement, l'ajout de nouveaux membres n'est pas possible pour le moment.
En tant qu'invité, vous avez accès à certaines rubriques uniquement, l'ajout de nouveaux membres n'est pas possible pour le moment.
Pioneer SF-700
- Berurier
- Membre no life
- Messages : 2222
- Enregistré le : jeu. 29 juil. 2010 13:06
- Localisation : 38, la campagne !
Re: Pioneer SF-700
Thierry
Je cherche : 1 moteur 288C (j'y crois
)
Je cherche : 1 moteur 288C (j'y crois
- lalule
- Membre honoraire
- Messages : 260
- Enregistré le : dim. 1 févr. 2015 08:51
- Localisation : Aveyron
- cathfragment
- Membre honoraire
- Messages : 397
- Enregistré le : mar. 20 nov. 2012 02:50
- Localisation : Montréal, QC
Re: Pioneer SF-700
Merci du conseil. Je suis conscient de la rareté de cet appareil. Je le garde même si je ne m'en sert pas présentement.Berurier a écrit :Tu le mets de côté et tu conserves précieusement.
Même si tu dois faire de l'argent avec, c'est un appareil rare ...
Alors attention,parce qu'une fois que tu as vendu ce genre d’appareil ... c'est direction cette rubrique !
viewtopic.php?f=70&t=36367&hilit=plus+belle+boulette
Depuis que je collectionne du vintage, j'ai un problème de plus. En plus de me demander ce que je vais écouter, je dois maintenant me demander sur quoi je vais l'écouter.
- Edith
- Membre honoraire
- Messages : 494
- Enregistré le : mer. 13 mars 2013 16:31
- Localisation : Poitou
Re: Pioneer SF-700
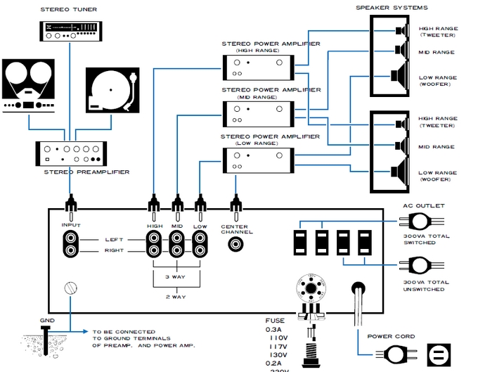
Le mode d'emploi est assez succinct, quelqu'un pourrait m'aider à comprendre la "3-D" ?
Le "central channel" ce sont les basses en mono, coupure réglée avec le low-mid ? coupure basse pour la non-directivité mais
sur le schéma suivant on voit, sur le même ampli, les sorties low et central channel pour la 3-D, comment est-ce possible ?
(c'est pour comprendre, la 2-D est loin d'être finalisée
- SidSmith
- Membre no life
- Messages : 2032
- Enregistré le : mer. 15 janv. 2014 00:42
- Localisation : Laval, Québec
Re: Pioneer SF-700
Je pense que c'est pour avoir un système s'apparentant à deux bibliothèques et un un caisson de grave. Le 2d est un 2 voies avec grave mono et le 3d est un 3 voies avec grave mono. La voies grave devient monophonique dans les deux arrangements.
Je crois que l'on peut aussi rajouter une voie de grave en plus comme un subwoofer...personnellement, sur du haut rendement je n'en vois pas l'intérêt. Car le caisson devra être immense.
Je crois que l'on peut aussi rajouter une voie de grave en plus comme un subwoofer...personnellement, sur du haut rendement je n'en vois pas l'intérêt. Car le caisson devra être immense.
Garde ça simple, imbécile !
- Edith
- Membre honoraire
- Messages : 494
- Enregistré le : mer. 13 mars 2013 16:31
- Localisation : Poitou
Re: Pioneer SF-700
Merci Rémi,
Quand on voit cet appareil, on pense plutôt salon cossu que rave party dans la gadouille et j'avais complétement oublié que les amplis sono ont cette entrée pour le caisson de basse.
et
les amplis de Jean aussi....
Quand on voit cet appareil, on pense plutôt salon cossu que rave party dans la gadouille et j'avais complétement oublié que les amplis sono ont cette entrée pour le caisson de basse.
et
- SidSmith
- Membre no life
- Messages : 2032
- Enregistré le : mer. 15 janv. 2014 00:42
- Localisation : Laval, Québec
Re: Pioneer SF-700
Oui, mais ce qu'on en fait dépend de l'époque !etles amplis de Jean aussi....
L'idée d'avoir un canal central dans un système stéréophonique remonte aux divers travaux réaliser dans le cadre du système Fletcher à la fin des années 1920 début 1930, ou les scientifiques ont découvert que l'image stéréophonique et l'impression de profondeur changeait selon l'emploi d'un canal central par divers essais :
On remarque que les enregistrements à trois micro reproduits chacun avec leur voie indépendante (3 channel) donne les meilleurs résultats, la profondeur de la scène sonore est presque respectée ainsi que sa largeur.
En stéréo avec les deux canaux reproduit leur voie indépendante (2 channel), la profondeur de le la scène sonore est tronquée, particulièrement au centre, mais conserve sa largeur. Elle est cependant plus floue et on a l'impression que chaque enceinte joue dans son coin.
En stéréo reproduit avec leur voie indépendante mais renforcée par un canal central, qui est un mélange des deux voies ou blend (2M-3LS), on regagne la profondeur sur les voies gauche et droite, mais on perd toute profondeur au centre (juste en deça du résultat en deux voies) . Mais en largeur, la précision est presque la même qu'en trois voies indépendantes (3 channel).
Question de goût, mais il semble que la solution en trois voies blend apporte un bon compromis entre 2 et 3 voies.
Au début des années 1960 jusqu'au milieu des années 1970, plusieurs appareils proposaient une sortie pour canal central pour celui ou celle qui désirait opter pour un système type 2M-3LS.
Mais le transistor est apparu et le système trois voies a pris le bord au profit de montée en puissance et de la chute de distorsion.
Dans ce cas ci, le canal central est pour compenser un manque de place.
Le canal central servant uniquement pour le grave est une bonne idée pour quelqu'un qui manque d'espace, cela fait 1 grosse boîte plutôt que 2, mais pour moi les compromis sont trop grands pour une installation de qualité destinée à la musique.
Garde ça simple, imbécile !
-
- Sujets similaires
- Réponses
- Vues
- Dernier message
