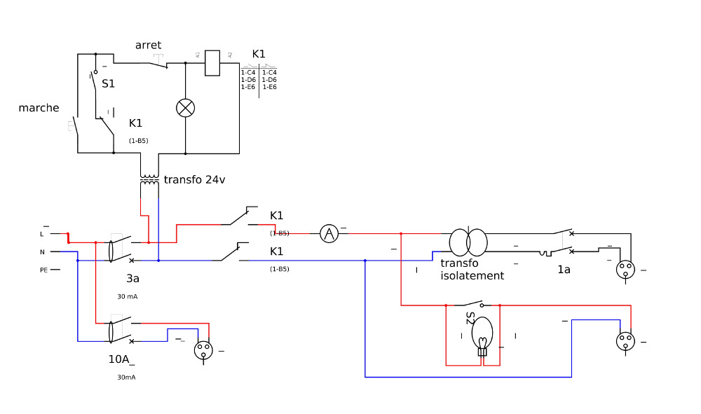
L’installation électrique de mon "atelier" étant franchement limite (et ne pouvant pas tout refaire aux normes, sinon ca serait fait depuis longtemps) j'ai décidé de me construire un coffret d'alimentation, afin d'avoir un minimum de sécurité lors de mes dépannages.
Ce coffret comportera:
1 prise "permanente", protégée par un différentiel 10A. Cette prise servira à relier la station de soudure, l'oscilloscope, le générateur, et tout autre outillage.
2 prises commandées, destinées à l'appareil en cours de dépannage. Un classique dispositif d’auto maintien assure la mise en marche et l’arrêt:
Une prise isolée, avec un transfo de 200Va
Une prise non isolée, protégée par un différentiel 3A (ça devrait être amplement suffisant).
J'ai également prévu la possibilité d’insérer une ampoule en série avec la phase, chose fort utile pour la remise en marche de matériel "douteux" ou pour investiguer un souci d'alimentation
En complément, je rajouterais plus tard un voltmètre - ampèremètre acheté sur ebay.
Pour l'ampoule, je n'ai pas encore fais mon choix entre halogène "crayon" (plus facile à intégrer ou incandescence classique, et pareil pour la puissance, j'ai pu dégoter du 60, 100 et 200w en incandescence, a votre avis lequel est le mieux?
Demain je finis le coffret, et j’attaque les essais de disposition de façade
Le forum Audiovintage est privé.
En tant qu'invité, vous avez accès à certaines rubriques uniquement, l'ajout de nouveaux membres n'est pas possible pour le moment.
En tant qu'invité, vous avez accès à certaines rubriques uniquement, l'ajout de nouveaux membres n'est pas possible pour le moment.
Coffret d'alimentation isolée et avec lampe de limitation
- lionnel
- Membre honoraire
- Messages : 212
- Enregistré le : jeu. 19 févr. 2015 13:40
- pvphil
- Membre no life
- Messages : 2040
- Enregistré le : jeu. 10 avr. 2014 12:19
- Localisation : 83 Var coté mer
Re: Coffret d'alimentation isolée et avec lampe de limitation
Bonjour Lionnel
Sympa ton schéma.
Quelle est l'utilité de la partie auto maintien ?
Un inter modulaire fait le même travail et supporte une intensité de 10 A , non ?

Sympa ton schéma.
Quelle est l'utilité de la partie auto maintien ?
Un inter modulaire fait le même travail et supporte une intensité de 10 A , non ?
Philippe ....88 notes et Jazz , Bossa , Nougaro, Compas...
- Kikook
- Administrateur du site
- Messages : 5880
- Enregistré le : ven. 6 nov. 2009 21:10
- Localisation : devant les VOT.
Re: Coffret d'alimentation isolée et avec lampe de limitation
L'ampoule de "limitation", c'est bien pour de la bricole, pas plus, je te conseille plutôt un variac avec un ampèremètre et/ou wattmètre, beaucoup plus causant !
Don"t think twice, it's all right.
-----------------------------------------------------------------------------------------------------------------------------
Thierry
-----------------------------------------------------------------------------------------------------------------------------
Thierry
- lionnel
- Membre honoraire
- Messages : 212
- Enregistré le : jeu. 19 févr. 2015 13:40
Re: Coffret d'alimentation isolée et avec lampe de limitation
L'auto maintien c'est surtout car j'ai deja le relais et le double poussoir dans mon tas de piéces, autant les utiliser.
- Yves
- Membre no life
- Messages : 4409
- Enregistré le : jeu. 12 nov. 2009 20:23
- Localisation : En terre Wallonne, dans un bunker ! ! !
Re: Coffret d'alimentation isolée et avec lampe de limitation
Salut Thierry.Kikook a écrit :L'ampoule de "limitation", c'est bien pour de la bricole, pas plus, je te conseille plutôt un variac avec un ampèremètre et/ou wattmètre, beaucoup plus causant !
Ici je ne suis pas d'accord avec toi, le variac et l'ampèremètre, nous sommes sur la même longueur d'onde, mais en ce qui concerne le circuit de la lampe il est FORTEMENT conseillé de l'avoir sous la main ! ! !
J'ai déjà eu pas mal de surprises avec des appareils pourtant corrects ! ! !

Pour l'ampoule, 100W c'est parfait ! ! !
Une photo du mien (l'ampoule et le transfo sont dans la boîte). Je vais d'ailleurs prochainement "sortir" l'ampoule du boitier, car même si le plexi est translucide, je préfère voir le niveau d'éclairage de l'ampoule pendant les premiers tests ! ! !

- pvphil
- Membre no life
- Messages : 2040
- Enregistré le : jeu. 10 avr. 2014 12:19
- Localisation : 83 Var coté mer
Re: Coffret d'alimentation isolée et avec lampe de limitation
Ah ok, dac, je comprends.lionnel a écrit :L'auto maintien c'est surtout car j'ai deja le relais et le double poussoir dans mon tas de piéces, autant les utiliser.
Yves, ton tableau est comme tes travaux, nickel !
Voici le mien, sur le même principe avec des mesures en temps réel de conso et de tensions sur chaque voix et 1 ampoule old new

les 3 lignes protégées par disjoncteurs bi-polaire et inter différentiel 30mA dont une sur transfo d'isolement 1 kvA.
Comme on travaille seul dans nos petits ateliers, il ne faut pas plaisanter avec ces mesures de précautions.
Un de mes amis est récemment resté collé sur le transfo d'un four micro onde. Si il avait été seul il était mort.(c'est une personne présente qui a coupé le disjoncteur à quelques secondes de l’arrêt de son cœur...)
Philippe ....88 notes et Jazz , Bossa , Nougaro, Compas...
- Yves
- Membre no life
- Messages : 4409
- Enregistré le : jeu. 12 nov. 2009 20:23
- Localisation : En terre Wallonne, dans un bunker ! ! !
Re: Coffret d'alimentation isolée et avec lampe de limitation
Salut Philippe.
J'avais bien suivi ce montage, il est superbement réalisé et surtout complet . . . . c'est nickel chrome ! ! !
J'avais bien suivi ce montage, il est superbement réalisé et surtout complet . . . . c'est nickel chrome ! ! !
- lionnel
- Membre honoraire
- Messages : 212
- Enregistré le : jeu. 19 févr. 2015 13:40
Re: Coffret d'alimentation isolée et avec lampe de limitation
C'est à peut prés ce que je compte faire, mais en version "transportable" (et avec un switch 115/230 en sortie de transfo. Tout à fait d’accord avec toi concernant la sécurité électrique, j'en sais quelque chose, l'install électrique chez moi étant plus que vintage, il faut vraiment faire attention: Pas de différentiel ni de terre sur 3/4 des prises, la répartition des phases est faite en dépit du bon sens, tout les fils sont coulés dans le béton, et jusque récemment on trouvait des interrupteurs de ce genre:
Donc, je veut un ensemble transportable afin de pouvoir l'utiliser dans n'importe quelle pièce et d'avoir un minimum de protection dans tout les cas
