Le forum Audiovintage est privé.
En tant qu'invité, vous avez accès à certaines rubriques uniquement, l'ajout de nouveaux membres n'est pas possible pour le moment.
En tant qu'invité, vous avez accès à certaines rubriques uniquement, l'ajout de nouveaux membres n'est pas possible pour le moment.
Maihak
- jeanmarie54
- Membre honoraire
- Messages : 374
- Enregistré le : mar. 6 sept. 2011 17:01
Re: Maihak
mais il est en tres bon etat
je vais souder les piles de 1,5V pour la BT
parceque le contact est tres mauvais
j'ai trouvé le no du modele c'est MMK3
et là sur google j'ai beaucoup plus d'infos :
http://www.filmsoundsweden.se/backspegel/wind_up.html"
a suivre
jeanmarie
je vais souder les piles de 1,5V pour la BT
parceque le contact est tres mauvais
j'ai trouvé le no du modele c'est MMK3
et là sur google j'ai beaucoup plus d'infos :
http://www.filmsoundsweden.se/backspegel/wind_up.html"
a suivre
jeanmarie
- Etienne59
- Super membre
- Messages : 635
- Enregistré le : lun. 7 déc. 2009 21:54
- Localisation : En face d'Evian
Re: Maihak
Salut,
Belle acquisition pour ce magnétophone. Il est comme le Nagra 1 ou 2, un moteur à ressort et une électronique à tubes.
Pour les piles, celle de 1.5V est utilisée pour le chauffage des filaments et celle de 67.5V pour le montage. Les filaments chauffent peu, ils restent rouge et on voit très peu. Il te faut faire la liste des tubes embarquée et tu va chercher la doc sur le site de Frank pour ces tubes. On le sait à l'ohm-mètre si un filament est coupé. Le brochage est toujours depuis dessous pour les tubes.
http://www.tubedata.info/"
Belle acquisition pour ce magnétophone. Il est comme le Nagra 1 ou 2, un moteur à ressort et une électronique à tubes.
Pour les piles, celle de 1.5V est utilisée pour le chauffage des filaments et celle de 67.5V pour le montage. Les filaments chauffent peu, ils restent rouge et on voit très peu. Il te faut faire la liste des tubes embarquée et tu va chercher la doc sur le site de Frank pour ces tubes. On le sait à l'ohm-mètre si un filament est coupé. Le brochage est toujours depuis dessous pour les tubes.
http://www.tubedata.info/"
- jeanmarie54
- Membre honoraire
- Messages : 374
- Enregistré le : mar. 6 sept. 2011 17:01
Re: Maihak
merci pour ta contribution
j'ai refais un essai hier
j'avais bien le 1,5V et aussi le 70V mais aucune lampe ne s'allumme
meme si on le voit pas , une lampe ça chauffe un peu quand meme
et là apres 5 minutes elles sont froides ..
à suivre
jeanmarie
j'ai refais un essai hier
j'avais bien le 1,5V et aussi le 70V mais aucune lampe ne s'allumme
meme si on le voit pas , une lampe ça chauffe un peu quand meme
et là apres 5 minutes elles sont froides ..
à suivre
jeanmarie
- Etienne59
- Super membre
- Messages : 635
- Enregistré le : lun. 7 déc. 2009 21:54
- Localisation : En face d'Evian
Re: Maihak
Ces tubes chauffent très peu. D'après le site radiomuseum, c'est trois tubes DAF91. Ecoute au casque obligatoire, si possible à haute impédance, sinon sur l'entrée ligne d'un ampli quelconque.
- hencot
- Super Modérateur
- Messages : 2603
- Enregistré le : mer. 31 mars 2010 18:46
- Localisation : 33.. prés de chez Charles
- Contact :
Re: Maihak
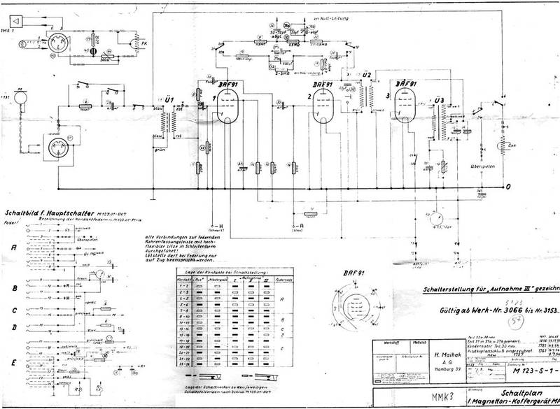
On m a envoyé un schéma ,un pote en Autriche qui doit m avoir le livre .
En attendant ......
En attendant ......
- jeanmarie54
- Membre honoraire
- Messages : 374
- Enregistré le : mar. 6 sept. 2011 17:01
Re: Maihak
merci pour ce schema
j'ai un peu de mal à le dechiffrer
est ce que par hasard tu l'aurais en plus haute resolution ?
j'abuse un peu ..
sinon tu vois un fusible ?
jeanmarie
j'ai un peu de mal à le dechiffrer
est ce que par hasard tu l'aurais en plus haute resolution ?
j'abuse un peu ..
sinon tu vois un fusible ?
jeanmarie
- jeanmarie54
- Membre honoraire
- Messages : 374
- Enregistré le : mar. 6 sept. 2011 17:01
Re: Maihak
merci pour le shema , c'est beaucoup mieux
là je n'ai plus d'excuse
jeanmarie
là je n'ai plus d'excuse
jeanmarie
- jeanmarie54
- Membre honoraire
- Messages : 374
- Enregistré le : mar. 6 sept. 2011 17:01
Re: Maihak
j'ai 2 pistes actuellement
la premiere c'est de tester les lampes à l'ohmmetre mais faut que je potasse mes docs parceque je ne me souviens plus comment fonctionne une lampe
la deuxieme piste c'est de remplacer les condos en haute tension
la premiere c'est de tester les lampes à l'ohmmetre mais faut que je potasse mes docs parceque je ne me souviens plus comment fonctionne une lampe
la deuxieme piste c'est de remplacer les condos en haute tension
-
studer
- Membre éminent
- Messages : 1355
- Enregistré le : dim. 3 janv. 2010 10:07
Re: Maihak
:helloman: en tous cas une bien belle machine ! vivement qu elle remarche 
- jeanmarie54
- Membre honoraire
- Messages : 374
- Enregistré le : mar. 6 sept. 2011 17:01
Re: Maihak
Salut à tous
j'ai commencé à changer les condos
j'ai deja 2 fils coupés et j'essaye de retrouver leur chemin
sur la petite photo ci-jointe la petite boite metallique à droite est un transfo ?
et si oui lequel ? , U2 ou U3 ?
en fait j'essaye de savoir qui est quoi
merci d'avance
en fait j'ai du mal à localiser sur le shema la source 70V
jeanmarie
j'ai commencé à changer les condos
j'ai deja 2 fils coupés et j'essaye de retrouver leur chemin
sur la petite photo ci-jointe la petite boite metallique à droite est un transfo ?
et si oui lequel ? , U2 ou U3 ?
en fait j'essaye de savoir qui est quoi
merci d'avance
en fait j'ai du mal à localiser sur le shema la source 70V
jeanmarie
