Le forum Audiovintage est privé.
En tant qu'invité, vous avez accès à certaines rubriques uniquement, l'ajout de nouveaux membres n'est pas possible pour le moment.
En tant qu'invité, vous avez accès à certaines rubriques uniquement, l'ajout de nouveaux membres n'est pas possible pour le moment.
Esart Ampli (push-pull 7189)
- chm
- Membre éminent
- Messages : 1052
- Enregistré le : mar. 25 oct. 2011 21:07
- Localisation : banlieue nord ouest de Paris
Esart Ampli (push-pull 7189)
Bonjour,
Remis en route pour alimenter les enceintes Filson Type L, il ne déçoit pas dans cette fonction.
Ces enceintes se portent mieux d' une amplification à tube. Le coté "montant" du large bande Philips s' en trouve
bien atténué. Les aigues deviennent cristallins, plus "doux". Les voix sont belles, pleines et "chaleureuses".
Les graves n' ont pas tout à fait la même "propreté" qu' avec l' ampli Audiotec PA800D, mais conjugués à un bas médium
plus "chaud", c' est plus équilibré. Ces enceintes avaient déjà bien récupérées, et pour moi en tout cas, très curieusement, le grave n' avait
pas cessé de lentement se bonifier et trouver progressivement une plus juste place.
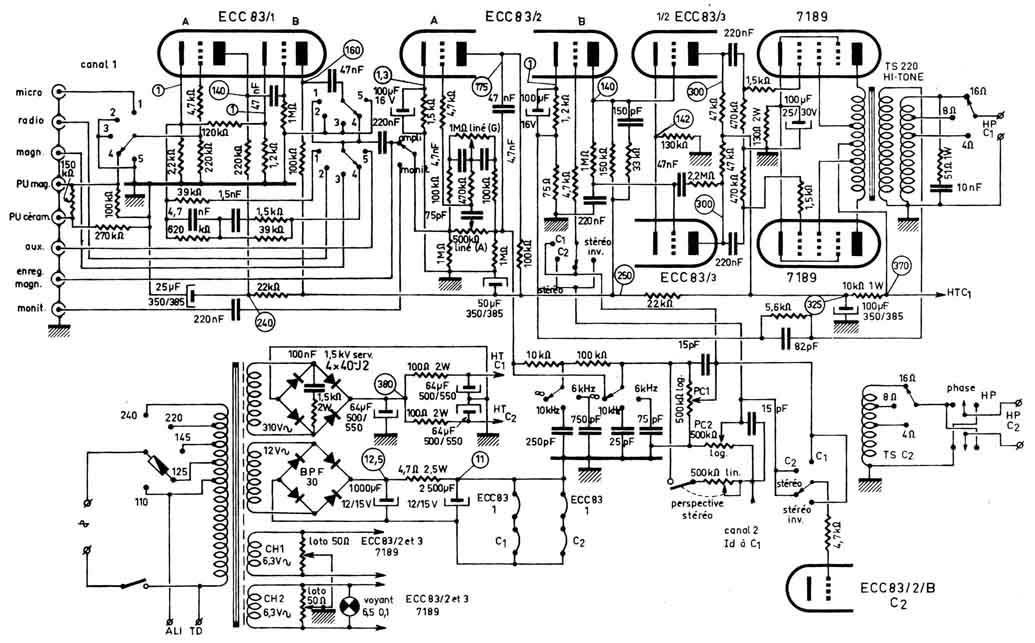
Cet ampli sans nom d' inscrit sur la façade, (n' est ce pas cela la vraie classe ?) est très proche du Hitone H220i, le schéma est identique,
ou l' on peut remarquer le chauffage des ECC83 du premier étage, 12,6v
continu, les chauffages indépendants des tubes deux canaux, deux enroulements distincts. Pour le reste je ne me permettrai pas de commentaires,
si ce n' est, montage ultra linéaire, et transformateurs de sortie Supersonic.
Le bel état, de présentation, ne pouvait s' appliquer aux composants passifs. La quasi totalité des résistances a du être remplacée, pour les chimiques,
c' est plus normal. Bien qu' il n'ai pas été réglé et soit à peine débourré il fonctionne vraiment bien, vif et "musical".
Christophe
Remis en route pour alimenter les enceintes Filson Type L, il ne déçoit pas dans cette fonction.
Ces enceintes se portent mieux d' une amplification à tube. Le coté "montant" du large bande Philips s' en trouve
bien atténué. Les aigues deviennent cristallins, plus "doux". Les voix sont belles, pleines et "chaleureuses".
Les graves n' ont pas tout à fait la même "propreté" qu' avec l' ampli Audiotec PA800D, mais conjugués à un bas médium
plus "chaud", c' est plus équilibré. Ces enceintes avaient déjà bien récupérées, et pour moi en tout cas, très curieusement, le grave n' avait
pas cessé de lentement se bonifier et trouver progressivement une plus juste place.
Cet ampli sans nom d' inscrit sur la façade, (n' est ce pas cela la vraie classe ?) est très proche du Hitone H220i, le schéma est identique,
ou l' on peut remarquer le chauffage des ECC83 du premier étage, 12,6v
continu, les chauffages indépendants des tubes deux canaux, deux enroulements distincts. Pour le reste je ne me permettrai pas de commentaires,
si ce n' est, montage ultra linéaire, et transformateurs de sortie Supersonic.
Le bel état, de présentation, ne pouvait s' appliquer aux composants passifs. La quasi totalité des résistances a du être remplacée, pour les chimiques,
c' est plus normal. Bien qu' il n'ai pas été réglé et soit à peine débourré il fonctionne vraiment bien, vif et "musical".
Christophe
Modifié en dernier par chm le mar. 11 févr. 2020 09:36, modifié 1 fois.
- chm
- Membre éminent
- Messages : 1052
- Enregistré le : mar. 25 oct. 2011 21:07
- Localisation : banlieue nord ouest de Paris
Re: Esart ampli
J' hésite à changer les condensateurs SAME, les "rouge", certains sont en liaison.
Celui remplacé était fendu bien que fonctionnel et dans les "clous".
Le redresseur sélénium du 12,6V des ECC83 a été remplacé par un pont de diodes (calibré très large!)
Le décrochement propre à Esart, amplis et tuners, pour une ligne plus fine.
Celui remplacé était fendu bien que fonctionnel et dans les "clous".
Le redresseur sélénium du 12,6V des ECC83 a été remplacé par un pont de diodes (calibré très large!)
Le décrochement propre à Esart, amplis et tuners, pour une ligne plus fine.
- Klemp
- Administrateur du site
- Messages : 6341
- Enregistré le : lun. 2 juil. 2012 22:39
- Localisation : Toujours dans mon terrier
Re: Esart ampli
Bonjour Christophe
et merci pour cette nouvelle présentation
Je ne connaissais pas cet appareil de la grande époque Artozoul … s' il chante aussi bien que les tuners contemporains ça ne doit pas être mal du tout
J' ai déjà vu ces transfos de sortie, tu as une idée de leur provenance ?
Je ne connaissais pas cet appareil de la grande époque Artozoul … s' il chante aussi bien que les tuners contemporains ça ne doit pas être mal du tout
J' ai déjà vu ces transfos de sortie, tu as une idée de leur provenance ?
Jean
- Unic
- Super Modérateur
- Messages : 4388
- Enregistré le : mer. 24 mars 2010 16:24
- Localisation : Val-de-Marne (94)
Re: Esart ampli
chm a écrit : lun. 10 févr. 2020 19:11Pour le reste je ne me permettrai pas de commentaires,
si ce n' est, montage ultra linéaire, et transformateurs de sortie Supersonic.
Music was better when ugly people were allowed to make it.
- Klemp
- Administrateur du site
- Messages : 6341
- Enregistré le : lun. 2 juil. 2012 22:39
- Localisation : Toujours dans mon terrier
Re: Esart ampli
Oups … j' étais passé sur ce commentaire …. merci Pedro
Ils ne ressemblent pas aux transfos Supersonic que je connais.
Ils ne ressemblent pas aux transfos Supersonic que je connais.
Jean
-
antho
- Membre honoraire
- Messages : 135
- Enregistré le : mar. 22 nov. 2011 11:16
Re: Esart ampli
Klemp a écrit : mar. 11 févr. 2020 14:12 Oups … j' étais passé sur ce commentaire …. merci Pedro
Ils ne ressemblent pas aux transfos Supersonic que je connais.
On trouve ce model sur les Hitone le H150, H215i, tu l'as certainement vu sur ces amplis.
- Klemp
- Administrateur du site
- Messages : 6341
- Enregistré le : lun. 2 juil. 2012 22:39
- Localisation : Toujours dans mon terrier
Re: Esart ampli
Sans doute … je ne connais pas suffisamment les Hitone .
D' ailleurs cet ampli Esart semble être un copié/collé … ou inversement … du H150 Hitone
D' ailleurs cet ampli Esart semble être un copié/collé … ou inversement … du H150 Hitone
Jean
- 6336A
- Membre no life
- Messages : 2733
- Enregistré le : mer. 27 févr. 2019 09:20
Re: Esart ampli
Bonjour
1- Comme dit Jean, ils ne ressemblent pas du tout à des transfos Supersonic, qui n'avaient pas du tout ce "look".
2- Si l'on regarde le schéma, il y a un enroulement spécial pour la contre réaction. Ce qui n'est pas la manière de procéder de Supersonic, mais plutôt celle du père Chrétien... que l'on retrouve sur les Filson et Cochet.
Je n'en suis pas certain du tout. Car :
1- Comme dit Jean, ils ne ressemblent pas du tout à des transfos Supersonic, qui n'avaient pas du tout ce "look".
2- Si l'on regarde le schéma, il y a un enroulement spécial pour la contre réaction. Ce qui n'est pas la manière de procéder de Supersonic, mais plutôt celle du père Chrétien... que l'on retrouve sur les Filson et Cochet.
NAN !
Jean-François Robert, apprenant en électronique.
Jean-François Robert, apprenant en électronique.
- Bertrand
- Super Modérateur
- Messages : 2085
- Enregistré le : dim. 20 févr. 2011 20:47
- Localisation : Le Vésinet
Re: Esart ampli
Bonjour,
C'est un très bel ampli. On retrouve vraiment la même architecture que les hitone H150 déjà cités et le H215i qui est juste antérieur, au délà du schéma lui même. Les transfos ont le même capot. J'ai effectivement toujours entendu dire que Hitone se fournissait chez Chrétien pour ses TS. Les liens entre les deux sociétés est d'ailleurs établi, Hitone sous-traitait ces tuners chez Esart.
C'est un très bel ampli. On retrouve vraiment la même architecture que les hitone H150 déjà cités et le H215i qui est juste antérieur, au délà du schéma lui même. Les transfos ont le même capot. J'ai effectivement toujours entendu dire que Hitone se fournissait chez Chrétien pour ses TS. Les liens entre les deux sociétés est d'ailleurs établi, Hitone sous-traitait ces tuners chez Esart.
Un tourne disque, des tubes et du haut rendement, et quand je serai grand, j'aurai une TD224 pour écouter des opéras de Wagner en 78trs... 
Ne le répétez pas, mais j'ai aussi des rogers ls3/5a
Ne le répétez pas, mais j'ai aussi des rogers ls3/5a
-
antho
- Membre honoraire
- Messages : 135
- Enregistré le : mar. 22 nov. 2011 11:16
Re: Esart ampli
Le schéma posté est intitulé Esart ampli 7189 HiTone H220I
chm "très proche du Hitone H220i, le schéma est identique"
chm "très proche du Hitone H220i, le schéma est identique"
-
- Sujets similaires
- Réponses
- Vues
- Dernier message
-
- 6 Réponses
- 13537 Vues
-
Dernier message par chm
